鋰電池保護板連接方法圖
電池保護板的升級版是叫BMS,是Battery Management System 取前面一個字母組成,其意思為電池管理系統,用來管理整組電池的系統,進而收集電池所有的信號,如電壓、電流、溫度等等,并將這些訊號區分為過電壓、低電壓、放電過電流、充電過電流、高溫充放電、低溫充放電、短路等等,將這些訊號做儲存或分析提供給終端產品使用。BMS在廣義上解釋常被認為是保護板,狹義解釋是一套電池管理的系統。
一、鋰電池組的連接
1、打開鋰電池包裝箱,找到電池分組編號表,按照分組編號表的序號將電池進行排列。

2、進行鋰電池組的串聯,如果需要并聯,則要先進行并聯連接,再進行串聯連接。
二、鋰電池保護板連接
1、鋰電池保護板安裝示意圖

2、實際連接
(1)、選擇型號合適的保護板;
(2)、接線時,先將保護板上標示“B一”的導線接到電池組的總負極;
(3)、找到保護板的電壓采集排線,將標示“0”的電壓采集排線接到電池組總負極,標示“1”的采集排線接到第一塊電池的正極(電池組總負極的電池作為第一塊),標示“2”的采集排線接到第二塊電池的正極,以此類推,標示“12”的采集排線接到最后一塊電池的正極(也就是電池組總正極);最后,進行目視檢查,確認連接情況;
(4)、將總正極紅色電源線(標示“B+”)端接到電池組總正極,另一端做好絕緣防護,備用。(紅色電源線是否配送需根據 BOM要求);
(5)、最后,將保護板電壓采集排線的排線插頭插到保護板上的排線插座上,用萬用表直流電壓檔分別測量電池組總電壓、電池組總正極和保護板上標示“p一”的引線端之間的電壓,若兩個電壓值一致,說明保護板連接正常;三、使用方法
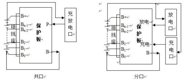
正確連接電池組和保護板之后,可正常充放電。
充電操作方法:將充電器的輸入端接交流電,充電器輸出端插口的正極(+)接電池組輸出的導線正(B+)、輸出端插口的負極(一)接保護板的P一端;結束充電后,拔掉充電器和電池組的連接后,可以進行放電;放電操作方法:將負載的輸入端的正極(+)接電池組的總正極導線(B+)、負載輸入端的負極(一)接保護板的P一端。
注:
若保護板為分口的,則充電操作時:將充電器的輸入端接交流電,充電器輸出端插口的正極(+)接電池組輸出的導線正(B+)、輸出端插口的負極(一)接保護板的C一端;放電操作時:將負載的輸入端的正極(+)接電池組的總正極導線(B+)、負載輸入端的負極(一)接保護板的P一端。
相關文章
-

鋰電池保護板的作用是什么,鋰電池保護板品牌廠家排名怎么樣?
2023-12-18 -

什么是電池管理芯片,電池管理芯片的作用是什么?
2023-12-15 -

什么是鋰電池保護板?有哪些作用?
2020-06-10










